|
|
|
|
| 摘要: |
| JRSS螺旋絲桿升降機; 具有結構緊湊、體積小的特點; 安裝方便、形式多; 可靠性高、壽命長; 具有起升、下降及借助輔件推進、翻轉等多種功能; 可單臺使用,也可多臺組成使用; |
 |
| | |
|
JRSS螺旋絲桿升降機
JRSS螺旋升降機(又名千斤頂); 具有結構緊湊、體積小的特點; 形式多、安裝方便; 可靠性高、壽命長; 具有起升、下降及借助輔件推進、翻轉等多種功能; 可單臺使用,也可多臺聯動使用; 動力源廣泛,可用電動機或其它動力連接帶動,也可以用手動; 通常用于低速重載的場合。廣泛應用于冶金、機械、水利、醫療、建筑、化工等各種行業。
|
2
|
產品代碼
RSS--螺旋絲桿升降機
|
|
3
|
輸入軸聯接方式
D—帶電機法蘭
無代碼—基本型
|
|
4
|
規格用蝸輪副
中心距表示100
|
|
5
|
傳動比
12
|
|
6
|
安裝方式代碼
A、B-基本型
C、D-止旋構造型
E、F-活動螺母構造型
詳見“安裝方式”
|
|
7
|
絲桿頭部型式代碼
R型(圓柱式)
H型(栓孔式)
S型(螺紋式)
T型(法蘭式)
|
|
8
|
絲桿行程300mm
共有100、200、300、400、500、600、800、1000mm8種規格,根據使用情況選擇,如需要其它長度行程,也可定做
|
|
9
|
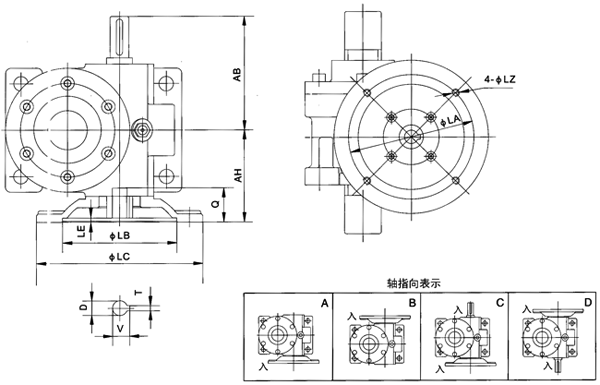
軸指向
JRSS系列共有A、B、C三種
JRSSD系列共有A、B、C、D四種
詳見“軸指向表示”
|
|
10
|
護管
P-帶護管
無代-不帶護管
|

|
號
規格
|
A
B
HS
|
E
F
Z
|
BC
G
H
|
CC
K
|
Tr
|
L
M
N
|
U
T×V
|
絲桿頭部型式
|
|
R型
|
H型
|
S型
|
T型
|
|
RA
RB
RC
|
HA
HB
HC
|
HD
HE
|
SA
|
SB
SC
SD
|
TA
TB
TC
|
n-TD
TE
TF
|
|
JRSS35
|
170
110
30
|
66
111
12
|
40
15
110
|
35
38
|
Tr26×5
|
50
90
135
|
15
5×3
|
26
165
55
|
16
20
12
|
165
55
|
M16×1.5
|
28
150
40
|
88
70
10
|
4-ф10
135
25
|
|
JRSS40
|
220
140
40
|
80
125
12
|
50
18
130
|
40
42
|
Tr32×6
|
57
110
155
|
18
6×3.5
|
32
195
65
|
20
25
14
|
195
65
|
M22×1.5
|
32
180
50
|
98
80
13
|
4-ф10
160
30
|
|
JRSS50
|
220
140
40
|
90
140
14
|
50
18
130
|
50
45
|
Tr38×6
|
60
120
170
|
18
6×3.5
|
38
195
65
|
25
25
16
|
195
65
|
M30×1.5
|
35
180
50
|
114
90
13
|
4-ф12
160
30
|
|
JRSS60
|
256
176
40
|
100
190
18
|
60
20
160
|
60
70
|
Tr46×8
|
90
140
230
|
25
8×4
|
46
225
65
|
32
32
20
|
255
95
|
M33×1.5
|
40
220
60
|
138
100
16
|
4-ф14
200
40
|
|
JRSS60B
|
264
184
40
|
110
190
18
|
60
20
160
|
60
70
|
Tr52×8
|
90
150
230
|
25
8×4
|
52
225
65
|
36
32
24
|
255
95
|
M39×1.5
|
45
220
60
|
148
110
20
|
4-ф18
210
50
|
|
JRSS70
|
316
216
50
|
140
210
18
|
70
25
180
|
70
75
|
Tr65×10
|
95
180
250
|
28
8×4
|
65
250
70
|
44
35
26
|
295
115
|
M45×1.5
|
55
260
80
|
178
125
25
|
4-ф21
235
55
|
|
JRSS100
|
390
260
65
|
190
260
22
|
85
30
220
|
100
85
|
Tr75×12
|
110
230
310
|
32
10×5
|
75
295
75
|
56
44
35
|
355
135
|
M60×2
|
65
300
80
|
188
140
28
|
4-ф21
285
65
|
|
JRSS120
|
420
290
65
|
210
305
22
|
100
30
260
|
120
105
|
Tr80×12
|
130
260
355
|
35
10×5
|
80
355
95
|
60
54
38
|
410
150
|
M64×2
|
70
360
100
|
218
170
30
|
4-ф25
330
70
|
|
JRSS130
|
480
340
70
|
240
355
22
|
120
30
315
|
130
130
|
Tr90×14
|
160
300
415
|
45
14×5.5
|
90
430
115
|
70
64
45
|
480
165
|
M76×2
|
75
435
120
|
248
200
32
|
4-ф27
390
75
|
|
JRSS150
|
550
360
95
|
250
385
27
|
125
35
345
|
150
135
|
Tr100×16
|
170
320
455
|
50
14×5.5
|
100
485
140
|
80
70
55
|
545
200
|
M90×2
|
100
495
150
|
358
280
35
|
6-ф27
445
100
|
|
型號規格
|
法蘭規格
|
AB
|
AH
|
LA
|
LB
|
LC
|
LE
|
LZ
|
D
|
Q
|
T×V
|
|
JRSSD40
|
71B5
|
110
|
72
|
130
|
110
|
160
|
4
|
M8
|
ф14
|
33
|
5×16.3
|
|
JRSSD50
|
71B5
|
110
|
80
|
130
|
110
|
160
|
4
|
M8
|
ф14
|
33
|
5×16.3
|
|
JRSSD60
|
80B5
|
128
|
100
|
165
|
130
|
200
|
4.5
|
M10
|
ф19
|
43
|
6×21.8
|
|
90B5
|
ф24
|
53
|
8×27.3
|
|
JRSSD60B
|
80B5
|
132
|
100
|
165
|
130
|
200
|
4.5
|
M10
|
ф19
|
43
|
6×21.8
|
|
90B5
|
ф24
|
53
|
8×27.3
|
|
JRSSD70
|
90B5
|
158
|
120
|
165
|
130
|
200
|
4.5
|
M10
|
ф24
|
53
|
8×27.3
|
|
JRSSD100
|
100/112B5
|
195
|
150
|
215
|
180
|
250
|
5
|
M12
|
ф28
|
63
|
8×31.3
|
|
JRSSD120
|
100/112B5
|
210
|
165
|
215
|
180
|
250
|
5
|
M12
|
ф28
|
63
|
8×31.3
|
|
JRSSD130
|
132B5
|
240
|
194
|
265
|
230
|
300
|
5
|
M12
|
ф38
|
83
|
10×41.3
|
|
JRSSD150
|
132B5
|
275
|
218
|
265
|
230
|
300
|
5
|
M12
|
ф38
|
83
|
10×41.3
|
|
| |